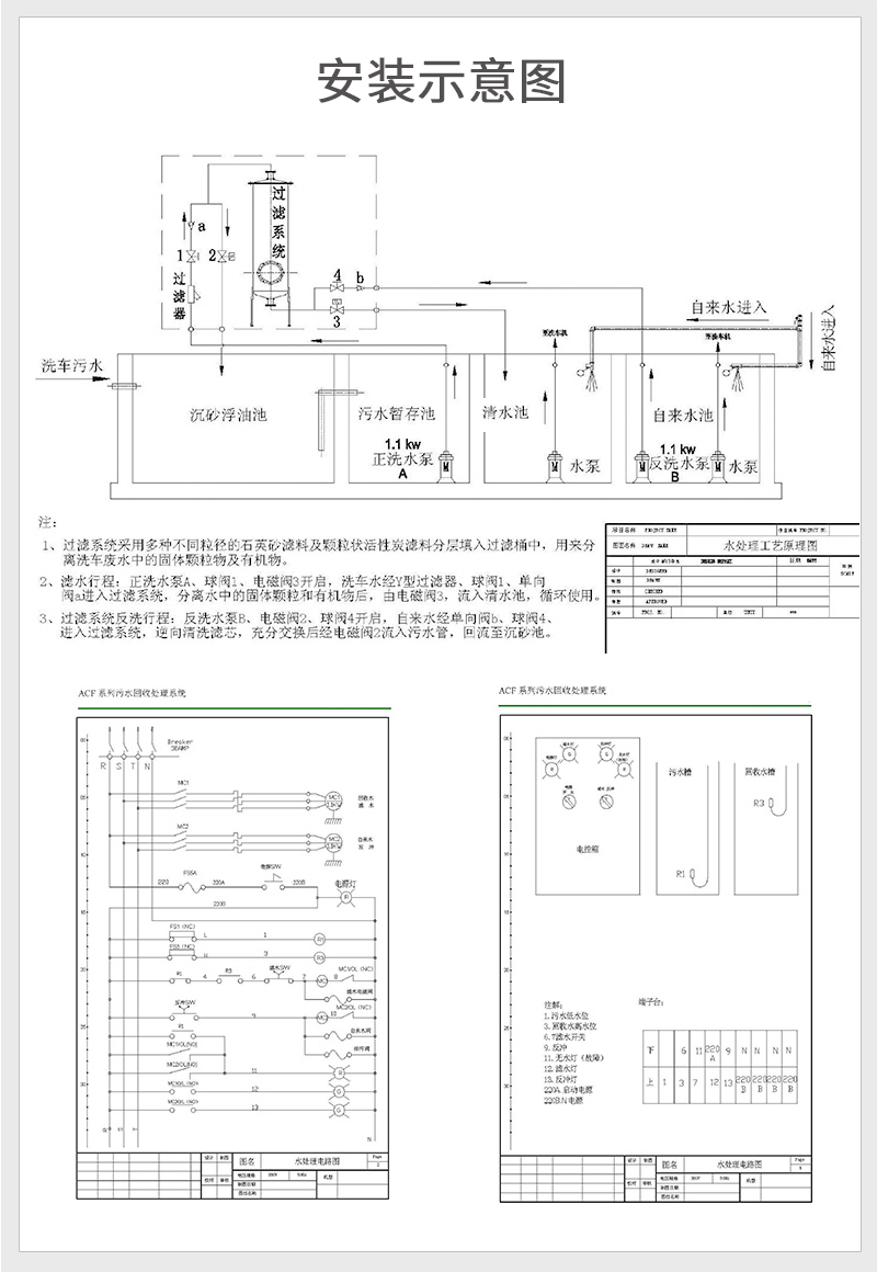
水循環系統
洗車機產品描述:
SUKAZYM IW-011是一種微生物產品,由一些高濃度非致病性好氧和自養微生物和多種酶制劑混合而成,這些微生物能夠在好氧和厭氧環境下生長并且能夠降解工業污水中的各種碳水化合物和有機物質。SUKAZYM IW-O11中的有益微生物能夠快速降解工業污水中的有機物。
洗車機功能:
本品也含有高活性的酶,能夠幫助降解懸浮物和淤泥中的復雜物質,并終將其轉化成被不同微生物新陳代謝所利用的分子。
相關產品 relared products













